Zhejiang Sehnaider Electric Co., Ltd.
Zhejiang Sehnaider Electric Co., Ltd.
Termékek
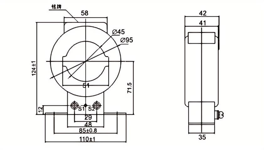
LMZJ1-0.5-50 áramtranszformátorok
  • LMZJ1-0.5-50 áramtranszformátorokLMZJ1-0.5-50 áramtranszformátorok

LMZJ1-0.5-50 áramtranszformátorok

Az LMZJ1-0.5-50 áramtranszformátorokat az elektromos rendszerek pontos mérésére és védelmére tervezték. A névleges 0,5-50a áram mellett ezek a transzformátorok megbízható teljesítményt nyújtanak számos alkalmazási tartományban.

Az LMZJ1-0.5-50 sorozat nagy pontossággal, alacsony fázisú szög hibával és kiváló linearitással rendelkezik, biztosítva az áramszint pontos mérését. Ezek a jelenlegi transzformátorok kompakt méretűek, így könnyen telepíthetők és alkalmasak különféle ipari környezetekben történő felhasználásra. Robusztus konstrukcióval és kiváló minőségű anyagokkal az LMZJ1-0.5-50 A jelenlegi transzformátorok hosszú távú stabilitást és tartósságot kínálnak. Bízzon az LMZJ1-0.5-50 áramtranszformátorokban a pontos áramméréshez és az elektromos rendszerek megbízható védelméhez.


Meghatározás

Névleges feszültség 500 V -os
Névleges frekvencia 50Hz
Névleges elsődleges áram 10a, 12.5a, 15a, 20a, 25a .., 6000a
Névleges másodlagos áram 5a; 1A
Másodlagos terhelési teljesítmény
tényező
0,8 (késleltetés)
Névleges kimenet 2.5VA, 5VA, 10VA, 20VA
Pontosság 0,2; 0,2s; 0,5; 0,5s
Elszigeteltség ellenállás Az elsődleges tekercs izolációs ellenállása a másodlagos tekercshez
és a földre ≥20mΩ
Teljesítményfrekvencia
ellenáll a feszültségnek
Ellenállni az elsődleges tekercs érvényes értékének a másodlagos tekercsekig
és a földre ≥ 3kV



Hot Tags: LMZJ1-0.5-50 áramtranszformátorok
Kérdés küldése
Elérhetőségei
Ha bármilyen kérdése van az árajánlatról vagy az együttműködésről, kérjük, e -mailt küldjön nekünk a river@dahuelec.com e -mailben, vagy használja a következő érdeklődési nyomtatványt. Értékesítési képviselőnk 24 órán belül felveszi Önnel a kapcsolatot. Köszönjük érdeklődését termékeink iránt.
X
We use cookies to offer you a better browsing experience, analyze site traffic and personalize content. By using this site, you agree to our use of cookies. Privacy Policy
Reject Accept