Zhejiang Sehnaider Electric Co., Ltd.
Zhejiang Sehnaider Electric Co., Ltd.
Termékek
BH-0.66-60 áramtranszformátorok
  • BH-0.66-60 áramtranszformátorokBH-0.66-60 áramtranszformátorok

BH-0.66-60 áramtranszformátorok

A BH -0.66-60 áramtranszformátorok PC -lángot alkalmaznak - késleltető anyagot, és a mágneses vezető anyag egy lágyított toroid mag, amely biztosítja a termék pontosságát a 0,2 és 0,5 szinten. Az ultra -nagy pontossági szintek, például a 0,2 és 0,5s esetében csak a szupravezető mágnesek felelnek meg az ilyen pontossági követelményeknek.

A BH-0.66-60 áramtranszformátorok alkalmazhatók az 50 Hz névleges frekvenciájú energiarendszerekre és 0,66 kV, 0,69 kV, 0,5 kV és annál alacsonyabb névleges feszültségre, az áramméréshez, az áramméréshez és a relé védelméhez.


A Dahu jelenlegi transzformátora beltéri használatra szolgál, az elosztó szekrényekbe és a dobozokba telepítve. Új mágneses áramkör -tervezéssel, fejlett kompenzációs módszerekkel, finom feldolgozási technikákkal, biztonságos és megbízható teljesítménygel, valamint egy kicsi és gyönyörű megjelenéssel rendelkezik.


A külső héj magas - szilárdságú lángból - retardáns PC -ből készül, teljesen zárt szerkezetű és lángos - késleltetett V1 -es besorolással. A belső mag magas, minőségi szemcsés - orientált szilícium acéllemezekből készül. A huzal átmérőjét szigorúan a gazdasági áram sűrűségének megfelelően választják ki, hogy biztosítsák a kevesebb hőmérséklet -emelkedést. A fejlett és megbízható tesztelő berendezésekkel biztosítja a minőségi előírások betartását.


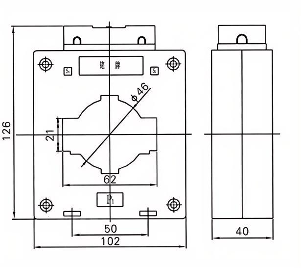
Négyzet alakú és kerek lyukú típusú, egy - gyökér vagy többszörös - gyökérkábel behatolására vagy egy - gyökérbusz -penetrációra alkalmas. Teljes terméksorozatú, sokféle specifikációval és széles körű alkalmazással rendelkezik.


Alkalmazások

Energiafigyelés és mérés

Áramkörvédelem és relé koordináció

Ipari automatizálás és intelligens hálózati rendszerek

Műszaki előírások

Névleges feszültség: 0,66 kV

Frekvencia: 50/60Hz

Pontossági osztály: 0,5, 1,0 (testreszabható)

Szigetelési szint: 3kV/perc


Fő műszaki paraméterek

Minősített elsődleges
Jelenlegi (A)
Pontosság
osztályok
kombináció
A névleges másodlagos kimenet (VA) 1S termikus áram (KA) Névleges dinamikus áram (KA)
0,2 (s) 0.2 0.5 10p10
5-40 0,2/10p10
0,5/10p10
/ 10 10 15 90lin 220lin
5-40 100Lin 250lin
5-40 20 50
5-40
5-40 36 90
10
5-40 45 100
5-40 56 100
5-40
5-40 80 110
5-40 100 110


Hot Tags: BH-0.66-60 áramtranszformátorok
Kérdés küldése
Elérhetőségei
Ha bármilyen kérdése van az árajánlatról vagy az együttműködésről, kérjük, e -mailt küldjön nekünk a river@dahuelec.com e -mailben, vagy használja a következő érdeklődési nyomtatványt. Értékesítési képviselőnk 24 órán belül felveszi Önnel a kapcsolatot. Köszönjük érdeklődését termékeink iránt.
X
We use cookies to offer you a better browsing experience, analyze site traffic and personalize content. By using this site, you agree to our use of cookies. Privacy Policy
Reject Accept