Zhejiang Sehnaider Electric Co., Ltd.
Zhejiang Sehnaider Electric Co., Ltd.
Termékek
BH-0.66-50 áramtranszformátorok
  • BH-0.66-50 áramtranszformátorokBH-0.66-50 áramtranszformátorok

BH-0.66-50 áramtranszformátorok

A BH-0.66-50 áramtranszformátorok olyan precíziós eszközök, amelyek célja az elektromos áramok pontos mérésére és megfigyelésére szolgáló különféle ipari alkalmazásokban. Az 50a névleges árammal és a 0,66 -os transzformációs arány mellett ezek a transzformátorok megbízható és pontos árammérési képességeket biztosítanak.

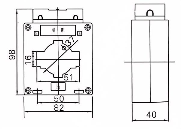
Beltéri epoxi gyanta áram transzformátor vagy beltéri műanyag ház transzformátor

• Egyfázisú, két fázisú vagy három fázis.

• Névleges feszültség: 0,66 kV

• A CT mérési osztálya: 0,2S, 0,2,0,5, 0,5s

• Standard: IEC61869-2

• Típus neve: BH-0.66-50

Ezt a beltéri száraz típusú transzformátort 0,66 kV -ban, 0,75 kV -ban használják. Teljesítményrendszer, a méréshez és a védelemhez.

A kabin kapcsolóberendezésekben vagy az öbölbe telepített kapcsolóállomásokban használták.

A BH-0.66-50 áram transzformátorok magas hőmérsékletű beltéri epoxi-gyantából, amorf ötvözet magjából készülnek a méréshez és a jó minőségű magból a védelemhez, az elsődleges és a másodlagos felhasználású tiszta elektrolitikus réz.


Alkalmazások:

Energiaelosztó rendszerek

Energiagazdálkodási rendszerek

Ipari berendezések megfigyelése

Megújuló energiarendszerek


1. prémium anyagok

Kiváló minőségű magok: precíziós laminált szilícium acél vagy nanokristályos magok a minimális veszteségek és a magas linearitás érdekében.  

Robusztus szigetelés: Az epoxi gyanta tervek biztosítják a hosszú távú stabilitást a kemény környezetben.  


2. Kiváló teljesítmény

Pontosság: 0,2/0,5 osztály méréshez, 5p/10p védelemhez, az IEC 61869, 60044, IEEE és ANSI szabványoknak megfelelően.  

Széles tartomány: 0,6KV-36KV rendszert támogat, egyedi arányokkal/frekvenciával (50/60Hz).  

Alacsony termikus emelkedés: Az optimalizált kialakítás csökkenti a túlmelegedést, az élettartam meghosszabbítását.  

EMC immunitás: A megbízható jelek elektromágneses interferenciája ellen.  


3. Szolgáltatás és támogatás

Egyéni megoldások: Testreszabott arányok, méret vagy csatlakozó (például DIN sín, IEC terminálok).  

Globális tanúsítások: IEC, CE, ISO és helyi hálózati jóváhagyások.  

Egész életen át tartó műszaki támogatás: 24 órás támogatás, telepítési útmutatás és alkatrészek ellátása.  

Gyors szállítás: Standard termékek 2-4 hét alatt; Gyorsított lehetőségek sürgős igényekhez.  


Fő műszaki paraméterek

Minősített elsődleges
Jelenlegi (A)
Pontosság
osztályok
kombináció
A névleges másodlagos kimenet (VA) 1S termikus áram (KA) Névleges dinamikus áram (KA)
0,2 (s) 0.2 0.5 10p10
5-40 0,2/10p10
0,5/10p10
/ 10 10 15 90lin 220lin
5-40 100Lin 250lin
5-40 20 50
5-40
5-40 36 90
10
5-40 45 100
5-40 56 100
5-40
5-40 80 110
5-40 100 110




Hot Tags: BH-0.66-50 áramtranszformátorok
Kérdés küldése
Elérhetőségei
Ha bármilyen kérdése van az árajánlatról vagy az együttműködésről, kérjük, e -mailt küldjön nekünk a river@dahuelec.com e -mailben, vagy használja a következő érdeklődési nyomtatványt. Értékesítési képviselőnk 24 órán belül felveszi Önnel a kapcsolatot. Köszönjük érdeklődését termékeink iránt.
X
Cookie-kat használunk, hogy jobb böngészési élményt kínáljunk, elemezzük a webhely forgalmát és személyre szabjuk a tartalmat. Az oldal használatával Ön elfogadja a cookie-k használatát. Adatvédelmi szabályzat
Elutasít Elfogadás