Zhejiang Sehnaider Electric Co., Ltd.
Zhejiang Sehnaider Electric Co., Ltd.
Termékek
BH-0.66-30 áramtranszformátorok
  • BH-0.66-30 áramtranszformátorokBH-0.66-30 áramtranszformátorok

BH-0.66-30 áramtranszformátorok

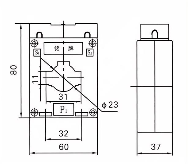
A BH-0.66-30 áramtranszformátorok (CTS) precíziós formájú műszerek, amelyeket az alacsony feszültségű elektromos rendszerekben a pontos áramméréshez és a megfigyeléshez terveztek. 0,66 kV névleges szigetelési feszültséggel ezek a transzformátorok ideálisak az energiagazdálkodáshoz, a védő továbbításhoz és a mérési alkalmazásokhoz.

Jellemzők:

Nagy pontosság: megfelel az IEC 61869 szabványoknak, biztosítva a megbízható teljesítményt a számlázási és megfigyelési célokra.

Kompakt kialakítás: Helytakarékos konstrukció a szűk terek egyszerű telepítéséhez.

Széles áram tartomány: Elsődleges áram, legfeljebb 30a, különféle ipari és kereskedelmi terhelésekhez.

Tartós anyagok: A robusztus ház ellenállást biztosít a környezeti tényezőkkel és a mechanikai feszültségekkel.

Biztonsági megfelelés: BH-0.66-30 A jelenlegi transzformátorok megfelelnek a nemzetközi biztonsági és teljesítmény-tanúsításoknak.


Alkalmazások:

Energiamérő az energiaelosztó rendszerekben.

Túláram -védelem a megszakítókban és a relékben.

Integráció az intelligens hálózatokkal és az IoT-alapú megfigyelési megoldásokkal.

Műszaki előírások:

Névleges feszültség: 0,66 kV

Frekvencia: 50/60Hz

Pontossági osztály: 0,5, 1,0 (testreszabható)

Teher: Az ügyfelek követelményei szerint


Fő műszaki paraméterek

Minősített elsődleges
Jelenlegi (A)
Pontosság
osztályok
kombináció
A névleges másodlagos kimenet (VA) A termikus áram (KA) Névleges dinamikus áram (KA)
0,2 (s) 0.2 0.5 10p10
5-40 0,2/10p10
0,5/10p10
/ 10 10 15 90lin 220lin
5-40 100Lin 250lin
5-40 20 50
5-40
5-40 36 90
10
5-40 45 100
5-40 56 100
5-40
5-40 80 110
5-40 100 110


Hot Tags: BH-0.66-30 áramtranszformátorok
Kérdés küldése
Elérhetőségei
Ha bármilyen kérdése van az árajánlatról vagy az együttműködésről, kérjük, e -mailt küldjön nekünk a river@dahuelec.com e -mailben, vagy használja a következő érdeklődési nyomtatványt. Értékesítési képviselőnk 24 órán belül felveszi Önnel a kapcsolatot. Köszönjük érdeklődését termékeink iránt.
X
Cookie-kat használunk, hogy jobb böngészési élményt kínáljunk, elemezzük a webhely forgalmát és személyre szabjuk a tartalmat. Az oldal használatával Ön elfogadja a cookie-k használatát. Adatvédelmi szabályzat
Elutasít Elfogadás